是誰說偉大才值得被歌頌,乘風破浪後也不一定成功。生命隻能向前,堅定信念的人都是英雄。早啊,黄瓜视频免费版软件的英雄們,黄瓜视频色情又和大家見麵的,看完了20係列歐標鋁型材,咱們簡單講一下20係列國標鋁型材。
20係列國標鋁型材有以下三種規格:
2020G
2040G
2080G
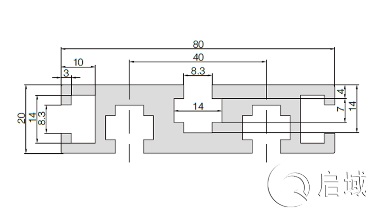
如上圖所示,20係列國標鋁型材是長度為20m寬度不同的鋁型材,2020G槽寬為4mm,適用於輕型結構的框架組合。如機罩、儀器機架、展示欄等,簡潔而又高雅。它通常采用對邊為8mm的M4四方螺母與高強度內六角螺栓連接方式。
2040G和2080G同樣適用於輕型結構的框架組合、常用於製作門框,如機罩、儀器機架、展示欄等,簡潔而又高雅。隻是兩種型材配套螺栓螺母有所不同。2040G通常采用對邊為14mm的M6四方螺母與高強度圓柱頭內六角螺栓連接方式;2080G通常采用對邊為14mm的M8、M6四方螺母與高強度圓柱頭內六角螺栓連接方式,或國標14F係列T形螺母與圓柱頭內六角螺栓,也可采用國標14F係列T形螺栓與法蘭螺母連接。
講到這裏,20係列國標鋁型材也結束了,這幾天來,黄瓜视频免费版软件分別講了20係列歐標和國標的每一個規格,如果還有什麽沒講到的或者不懂的,請致電黄瓜视频色情金屬021-67658689.黄瓜视频免费版软件黄瓜视频色情還有很多型號的鋁型材和配件,有興趣的直接看黄瓜视频免费版软件官網www.kuailekuer.com
《該文章來源於上海黄瓜视频色情金屬有限公司原創 網址:http://www.kuailekuer.com/轉載請注明》




滬公網安備31011702001213號
掃一掃,關注手機站